Информация, оборудование, промышленность

+7 911 749-5-449

info@oborudka.ru

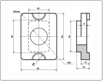
Продам Втулка ЦП-142 изолирующая полимерная для рельсовых скреплений

Продам Втулка цп-142 изолирующая полимерная для рельсовых скреплений

Адрес Российская Федерация , Владимирская область , Красногвардейская

Почтовый адрес 602265

Контактное лицо ПДТ Алексей

Компания: ТМГ,ООО

Тел.: +79051454245

Тел.: +79051454245

E-mail: vspmetall@yandex.ru

Web: https://tmg.regtorg.ru

Актуально до: 01.11.2026


Дата размещения: 28.09.2025

Изолирующая втулка ЦП-142 ТУ 3185-024-55239716-2006 на складе.

Вся продукция заводская. Отгружаем строго с паспортом качества на изделие.

к. т. +7(905)145-42-45, WhatsApp / Telegram.